Topic: Bauteil erstellen Potenzial übertragen
Hallo zusammen,
wenn ich ein Bauteil erstelle und mein Potential (Name, Farbe...) von einem Pin auf einen anderen Pin übertragen möchte, wie könnte ich das hinbekommen?
Gruß Mücke
You are not logged in. Please login or register.
QElectroTech → DE : Hilfe, Vorschläge, Unterhaltungen... → Bauteil erstellen Potenzial übertragen
Hallo zusammen,
wenn ich ein Bauteil erstelle und mein Potential (Name, Farbe...) von einem Pin auf einen anderen Pin übertragen möchte, wie könnte ich das hinbekommen?
Gruß Mücke
Hallo Mücke,
ich mache das aktuell per "Kurzschluss". Also einfach die Pins vorübergehend verbinden.
Wenn man die Brücke wieder löscht, entstehen zwei separate "Netze", welche vorerst die gleichen Eigenschaften haben.
Hallo,
edit your element on element editor and change element type simple to terminal.
https://download.qelectrotech.org/qet/m … index.html
https://download.qelectrotech.org/qet/m … block.html
Making it a terminal element, however, has the effect of *ALL* pins having the same potential. I don't think there is a proper way to declare only a subset of pins to be connected.
This seems to me to be the question asked by the author after a German-French translation.
@TManiac: Ja, das mache ich auch gerade, finde es aber nicht so elegant ;-).
Mir wäre es lieber, wenn ich so etwas direkt in meine selbst erstellten Komponenten einbauen könnte.
@scorpio810: Ich bin mir noch nicht sicher, ob es das Richtige ist, was ich suche.
Tut mir leid. Ich spreche kein Französisch.
Ich kann damit nicht umgehen :-( Ich glaube, das ist nicht das, was ich suche.
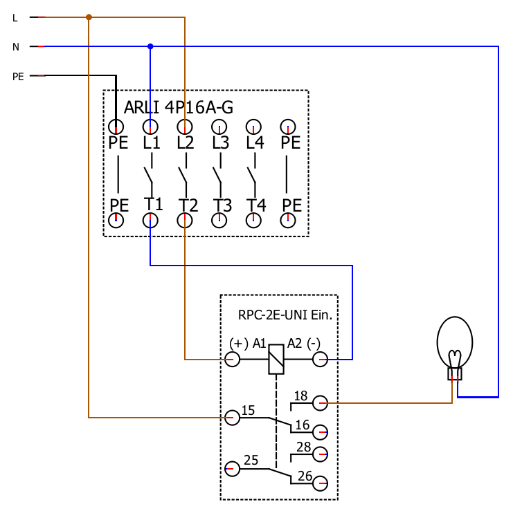
Beispiel
Mein erstelltes Bauteil:
(Bild 1)
Potential 0 => Kontakt A1 (das ist OK)
Potential 1 => Kontakt A2 (das ist OK)
Potential 1 => Kontakt 15 & 18 & 16 (rotes Kasten)
Potential 2 => Kontakt 25 & 28 & 26 (grüner Kasten)
(Bild 2)
Sorry die Bilder schaffen mir keine zusätzliche Klarheit. Was genau willst du erreichen? Das ist doch ein Relais und alle Kontakte sind normalerweise völlig unabhängig?
Schade, ich hatte gehofft, dass das etwas Licht ins Dunkel bringt.
Das ist doch ein Relais und alle Kontakte sind normalerweise völlig unabhängig voneinander?
Ja es ist ein Relais.
Sorry, dass ich dir da im Detail widersprechen muss.
Das Relais wird durch die Kontakte A1 und A2 geschaltet. Hier gebe ich dir Recht das sind zwei unabhängige Kontakte (Potential).
Bei den Schaltkontakten ist das nicht der Fall.
Kontakt 15 ist im AUS-Zustand mit Kontakt 16 verbunden (gleiches Potential)
Kontakt 15 ist im EIN-Zustand mit Kontakt 18 verbunden (gleiches Potential)
Kontakt 25 ist im AUS-Zustand mit Kontakt 26 verbunden (gleiches Potential)
Kontakt 25 ist im EIN-Zustand mit Kontakt 28 verbunden (gleiches Potential)
Ich möchte also, dass die Kontakte 15, 18 und 16 untereinander das gleiche Potential haben.
Unabhängig von den anderen Kontakten sollen auch die Kontakte 25, 26, 28 untereinander die gleiche Eigenschaft (Potential) haben.
Vielleicht hilft dieses Bild
Not professionnal....
Nicht professionell....
Was ist unprofessionell?
Annahme:
240V Wechselstrom => Hauptschalter => Relais => Lampe
Mit dem Hauptschalter schalte ich ein Relais, das dann einen Verbraucher schaltet.
Am Verbraucher liegen zwei verschiedene Potentiale an, einmal L1 und einmal N.
Das Relais hat einen Verbraucher (für seine Spulen), hier liegen zwei verschiedene Potentiale an.
Die Schaltkontakte sind keine Verbraucher, sie geben also die Eingangsleitung unverändert weiter, das Potential bleibt also erhalten und auch die Eigenschaft der Leitung.
Erst am Verbraucher (im Beispiel die Lampe) ändert sich das Potential.
Ja, Sicherungen etc. habe ich nicht eingezeichnet, soll nur ein Beispiel sein.
Auch am Hauptschalter werden in meinem Beispiel bis zu 4 verschiedene Potentiale (Eigenschaften) übertragen, dazu kommen noch die beiden PE Klemmen.
Ich verstehe nicht warum nicht mehrere Potentiale (Einstellungen) pro Teil übergeben werden sollten.
Gruß Mücke
No.....not professional... again...
Please search "equipotentiality of a conductor through a bistable contact or fuse...."....
In France: conductor connect to terminal n°18 isn't a same potential to conductor connected to terminal 15 .. depend on coil state...and also to L... the phase..
In principe this conductor is colored to black...not brown.... Same for conductor T2 -> A1....etc, etc. end...
Hallo Mücke,
wenn du die gleichen Eigenschaften von Verbindungen vor und nach Kontakten von Schützen oder Schaltern haben möchtest must du diese in den Verbindungseigenschaften ändern. Automatisch werden die Eigenschaften nicht Übertragen. Es gab schon mal vor langer Zeit solch eine frage hier im Forum dort wurde erklärt, das ein Signal vor einem Schützkontakt ein anderes ist, als nach dem es geschaltet worden ist.
Stebo
@Calypso: hey, danke für dein Feedback.
Kannst du mir zeigen, wie ich das mit den "Verbindungseigenschaften ändern" machen soll? ich bekomme das immer nur für das ganze Bauteil hin :-( nicht für einzelne Kontakte :-(
Hallo Mueke,
Ich glaube du hast etwas falsch verstanden, ich meine nachdem du eine Verbindung erstellt hast clikst du die zu änderne Verbindung an, es öffnet sich ein Fenster in dem du dann die Eigenschaft der Verbindung ändern kannst.
Stebo
Ah Ok,, ja das mache ich ja schon so, denn ich ändere ja jede leitung von hand ab.
QElectroTech → DE : Hilfe, Vorschläge, Unterhaltungen... → Bauteil erstellen Potenzial übertragen
Powered by PunBB, supported by Informer Technologies, Inc.
Generated in 0.035 seconds (41% PHP - 59% DB) with 11 queries