Topic: Russian gost
Hello! Thank for developer.
I have a question on the design of frames and stamps.
Is support for russian rules (gost) possible in the future? (http://docs.cntd.ru/document/1200045443)
You are not logged in. Please login or register.
QElectroTech → EN : Help, suggestions, discussions, ... → Russian gost
Hello! Thank for developer.
I have a question on the design of frames and stamps.
Is support for russian rules (gost) possible in the future? (http://docs.cntd.ru/document/1200045443)
Hello Shng and thanks. ;-)
You could draw an example to explain what is gost in documentation?
The translation into French of the Russian documentation does not help me to understand what it is.
Hello Scorpio810!
I was searching for GOST design either and found this page. As I see, Shng did not continue this topic.
GOST (Russian: ГОСТ) stands for state standard. It dictates the norms of everything produced: chemical composition, mechanical properties, etc.
In particular, it standardizes the design of drawing documents and electrical circuits. Simply put, this is an analogue of European DIN EN ISO in post-Soviet countries.
On the first attached picture you can see an example given on a horizontal A3 page.
On the second attached picture you can see so-called specification (I don't know, how it's correctly called in English). It contains described elements of circuit, their conventions, decryptions and amounts.
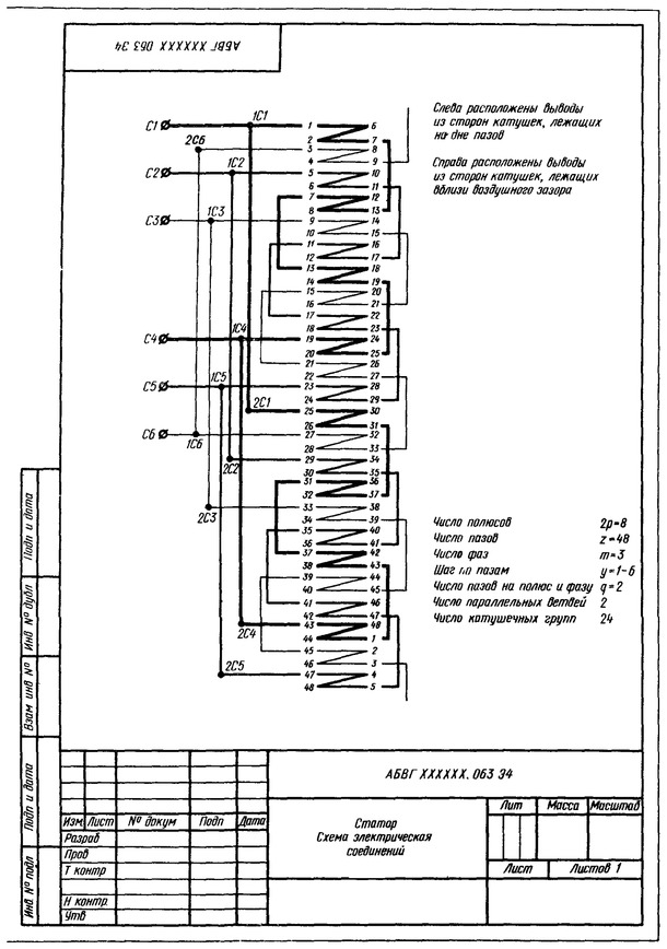
On the third attachment there is a vertical A3 page with a drawing of a stator.
I have tried to find design of page in QElectroTech according to GOST but unsuccessfully. If there would, it will be great help to students like me!
If you need some consultation help with including GOST into QElectroTech, I am ready to help!
Tell me, please, may I expect inclusion GOST into QElectroTech in the future?
---------------
Best regards
Artyom
Hello Artyom,
Maybe with sqlite database export, and import table?
https://qelectrotech.org/forum/viewtopi … 256#p16256
Regards,
Laurent
Gost: is the bill of material, like BOM?
Not really. GOST is a set of rules.
As long as I understand, BOM is mostly used for buying parts. Specification, which I was explaining, is used only for describing parts. There is another type of document, that we use for buying.
The thing is, I am searching for a page template with a stamp 185x55 mm and without 1-2-3... A-B-C... cells on the edges of the page like on the first photo I have given above.
I see, there are some templates like "ISO7200_A4_V1", "DIN_A4", "A4_1" etc. in QElectroTech project options. Are these XMLs? Can the list be expanded manually with a new self-made template?
Best regards,
Artyom
Yes is XML, and you have an editor titleblocks.
Maybe see this example:
https://github.com/qelectrotech/qelectr … vierge.qet
BTW, Importing an Excel Table with data and frame/raster:
https://qelectrotech.org/forum/viewtopic.php?id=2483
https://qelectrotech.org/forum/viewtopic.php?id=2075
This was really helpful, thank you! I am already half a way to be an electrical engineer ![]()
I think, I have found it out, how to disable A-B-C… 1-2-3… titles, yet with them the borders of the canvas are also gone. Is there a way to draw them?
Also, the stamp is needed to be right-aligned. I have not found this option in QElectroTech, I am afraid. Is there it?
Then, there is another problem: the area right from the stamp (would be left, if align the stamp right) looks separated from the main canvas. It might be so, because according to European standards the stamp is 100% width of the canvas, might it not? According to GOST it is a working area as well.
And the last: this one is probably already answered, but I don't understand it, what is the amount of page's rows and columns to fit A4 page? And A3 page?
Other manual, see 11.4 Working with the title block editor - (a tutorial)
https://download.qelectrotech.org/qet/m … doc-en.pdf
https://qelectrotech.org/forum/viewtopi … 001#p10001


The size of the columns and rows does not have too much importance for the printing of a page what it is necessary to keep in mind it is to preserve the proportions of the format of a real page.
On the other hand, it influences the size of the symbols placed on the diagram.
The larger the sheet size, the smaller the placed symbols and vice versa.
QElectroTech → EN : Help, suggestions, discussions, ... → Russian gost
Powered by PunBB, supported by Informer Technologies, Inc.
Generated in 0.052 seconds (59% PHP - 41% DB) with 9 queries