Topic: Inverser neutre et phase après disjoncteur avec neutre à gauche
Bonjour,
Merci pour votre logiciel qui m'est d'une grande utilité depuis les quelques jours.
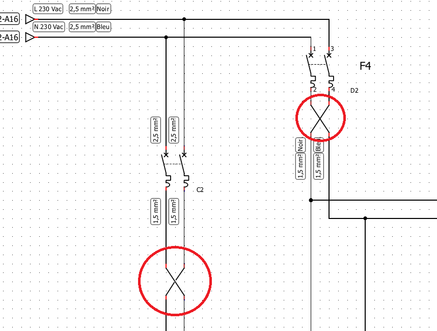
Je souhaite inverser la phase et le neutre après mes disjoncteurs (qui ont le neutre à gauche) afin de me retrouver sur mes borniers / départs avec la phase à gauche.
J'ai créé un élément, mais ce dernier croisant les lignes ; les informations du câble (tension, couleur, section) se confondent sur mes textes automatiques de repère de folio.
Auriez-vous une idée d'élément permettant d'éviter ce problème ? Je voulais respecter le câblage réel de ma platine sur le schéma. S'il n'y a pas de solution, j'inverserai les files en amont du disjoncteur sur mes schémas.
Merci d'avance.
