Topic: Expand single-line to multi-line

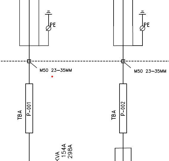
I'm not very experienced with QElectroTech or wiring diagram programs in general, but I'm wondering if it is possible, in QET, to draw a cable as a single line and split it out into the individual wires, similar to busses split out into individual connections in electronic schematics?

Something similar to the attached screenshot.

I've tried to do some searching, but I haven't found an answer.

Br,
Stig

Post's attachments

Attachment icon Single_to_multi.png 13.17 kb, 110 downloads since 2024-03-21 

Re: Expand single-line to multi-line

https://qelectrotech.org/forum/viewtopi … 157#p17157
https://qelectrotech.org/forum/viewtopi … 073#p17073

"Le jour où tu découvres le Libre, tu sais que tu ne pourras jamais plus revenir en arrière..."Questions regarding QET belong in this forum and will NOT be answered via PM! – Les questions concernant QET doivent être posées sur ce forum et ne seront pas traitées par MP !

Re: Expand single-line to multi-line

Thank you.

I saw your first post earlier and tried the cable elements, but they seem to not have any terminals for wires, and my knowledge of French has some gaping holes... :-)
I, after my first posting, found the element shown in your second post, and I have used this, but slightly modified for my use (to not take up so much space).