Topic: Folio différent d'id, affichage incorrect
Bonjour,
J'utilise votre logiciel de manière sporadique pour modifié quelque pages dans des schémas existant dont je n'ai pas le fichier original.
Dans l'ensemble je suis satisfait et ça convient très bien.
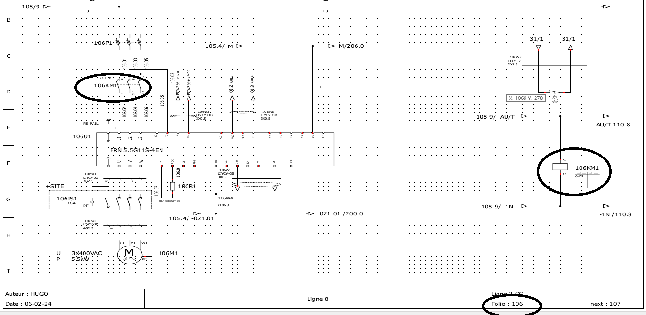
J'ai juste un petit soucis, j'utilise le paramètre folio comme numéro de page, le soucis que j'ai c'est que pour les références croisées d'une bobine, il m'affichent bien les contact esclaves mais avec le numéro de l'id et pas du folio.
J'ai cherché dans les paramètres et sur le forum mais j'ai pas trouvé de réponses d'où ma question ici.
Dans l'exemple ci-joint, je suis sur le folio 106, j'ai une bobine, et plutôt que de m'indiquer 106-c2 m'affiche 6-c2 parce que c est la 6ème pages de ce projet
Bien à vous.
