Topic: Numerotation qui change pas complètement
Bonsoir,
J'ai un petit soucis avec la numérotation.
Je voulais me faire un fichier type avec des pages courante que j'utilise régulièrement. Comme la puissance par exemple.
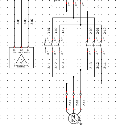
J'ai mis la numérotation de fil automatique dessus avec comme repère N° du folio - N° du fil 01 ce qui me faire des repères type 02-05 pour le folio 2.
Maintenant, quand je déplace un folio, par exemple le 2 je le met en 3 ou que je supprime le 3 et que le 4 devient 3, les numérotations changent toutes sauf celle qui sont écrite plusieurs fois.
Par exemple sous un double contacteur inverseur avec bornier, seul les repères sortie du contacteur à gauche change de N° de folio, pas ceux sous le second contacteurs ni ceux sous le bornier. je suis obligé de supprimer les fils pour les remettre afin qu'ils aient le bon N° de folio.
Je sais pas si j'ai été clair dans ma description, j'ai fait au mieux. J'ai mis une photo pour essayer d'expliquer mieux.
Merci de vos lumières. PS : Je suis en 0.9
