Topic: How do I create a busbar
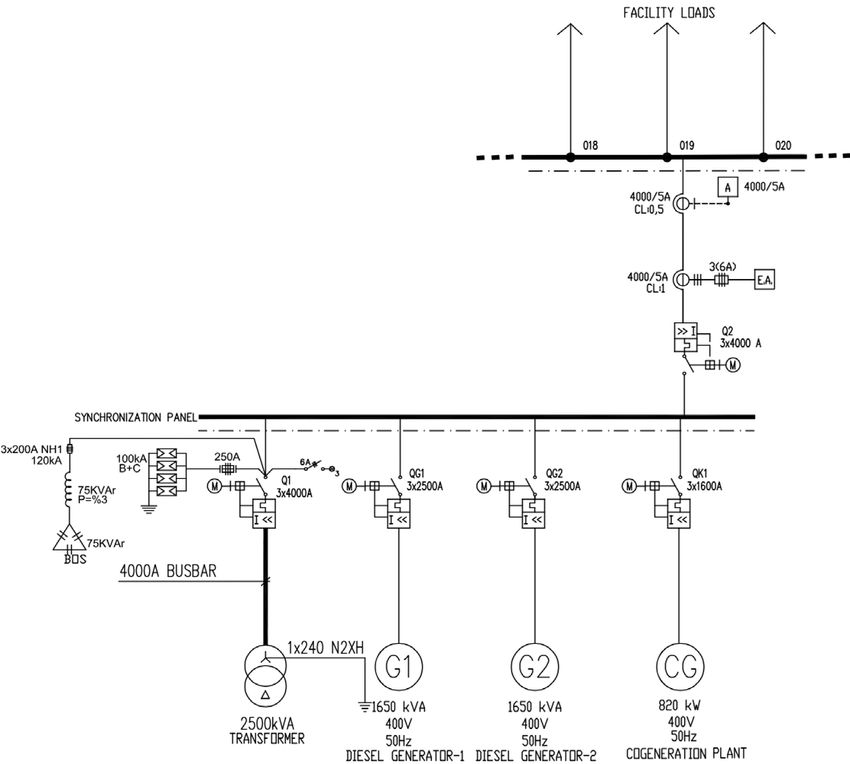
A busbar is a basic requirement for an electrical distribution system. A distribution boards typically have a busbar onto which all the circuit breakers and isolators are connected. The attached image show a single line diagram with two horizontal busbars.
It should be possible to connect many elements to a busbar i.e. the basbar should be able to accept many connections. The concept is similar to a terminal block but the connections are normally not numbered.
Is this possible to create a busbar in QElectroTech?


