Topic: Lines dissapear after exporting
Goodafternoon,
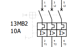
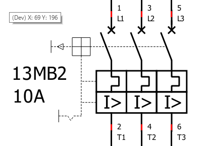
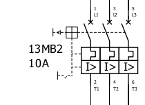
Today i tried to export one of my drawings to pdf format. After doing so, various lines that are thinner, they're often striped as well, become nearly impossible to see, or dissapear completely. Where does this go wrong?
I've attached 3 images to give visual aid, the two with clearly visible lines are from the drawing and the export preview, the third is from the pdf file.
Please tell me if additional info is required.
Lennard
