Sorry for late reply.
No, my simple idea is not to export it using another program, and maybe not making changes in QET either.
The simple idea is that by making QET printing links so they visually looks like links, then i guess it is relatively simple to create a small separate program that parse the pdf and rewrites the links so they actually work like links.
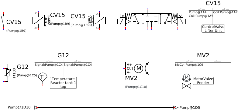
Example: if i in xref and folio referencing settings fields put %F@%f%l%c,
then i will for folio "Pump", page 2, coordinate C7 get: Pump@2C7
If i enter such formatting in my example drawing from my post https://qelectrotech.org/forum/viewtopi … 5577#p5577 , it looks like the following screen-shot, and it also displays like that when opening the exported pdf.
Now if we had a small program that can process that pdf and make the links coma alive it would be great. the only thin i want it to do is find the number between the @ and a following alphabetical character and make a link of that to the page of that number.
OK the above is simplified, to make it work reliably we probably need a more reliable trigger than a one character "@"....
But we do not want a long trigger string to be shown at link in normal shema in QET nor printing to printer from QET.Having no idea how QET works, i can just say maybe it can temporarily automatically append "LINKME@" plus page number to every xref and folio ref formula just when printing to pdf.
The external program then scans for "LINKME@" and read the page number after it to create the link target, and remove "LINKME@" and the number from the visual part.
That will be compatible with any form of ref formula the user have chosen.
Except, user can nowhere write "LINKME@" but that is very little chance...
Maybe the external program, could even be an integrated part of QET, run automatically directly after initial file is exported, or even streamed so the first version of pdf never is externally written out.
Post's attachments
Pump1a1B9.png 47.39 kb, 469 downloads since 2016-11-10