1 (edited by Vétéa 2023-10-03 16:37:22)

Topic: section des conducteurs

Bonjour,

J'aimerais savoir s'il y a possibilité de choisir quelle propriété d'un conducteur afficher. Dans mon cas par exemple, j'ai vu que dans les propriétés des conducteurs on peut choisir la section du fil, et ça tombe bien c'est une info que j'ai besoin d'afficher, seulement quand je la rentre dans le champ dédié pas moyen de la voir apparaitre sur le schéma.

Est-ce possible de l'afficher ? Où est ce que je suis obligé de tout faire " à la main" en insérant des champs de textes sur mon schéma ?

J'aurais une seconde question, j'ai parfois des éléments en rouge dans ma collection. Qu'est ce que cela veut dire (voir image) ?

J'ai cherché dans le manuel et un peu sur le forum avant de venir ici mais je n'ai pas trouvé mon bonheur.

Merci d'avance pour votre temps !

Post's attachments

Attachment icon Capture d’écran 2023-10-03 à 16.34.08.png 19.35 kb, 122 downloads since 2023-10-03 

Re: section des conducteurs

Bonjour,

pour les éléments en rouge dans l'arbre éléments importé d'un projet, si je me rappelle bien c'est ceux qui ne sont pas utilisés dans le projet, et ont été posés puis enlevé.
pour les supprimer menu ->Projet ->Nettoyer le projet.

"Le jour où tu découvres le Libre, tu sais que tu ne pourras jamais plus revenir en arrière..."Questions regarding QET belong in this forum and will NOT be answered via PM! – Les questions concernant QET doivent être posées sur ce forum et ne seront pas traitées par MP !

Re: section des conducteurs

J'aimerais savoir s'il y a possibilité de choisir quelle propriété d'un conducteur afficher. Dans mon cas par exemple, j'ai vu que dans les propriétés des conducteurs on peut choisir la section du fil, et ça tombe bien c'est une info que j'ai besoin d'afficher, seulement quand je la rentre dans le champ dédié pas moyen de la voir apparaitre sur le schéma.

Est-ce possible de l'afficher ? Où est ce que je suis obligé de tout faire " à la main" en insérant des champs de textes sur mon schéma ?

Il me semble que oui, a vérifier, exemple:

"Le jour où tu découvres le Libre, tu sais que tu ne pourras jamais plus revenir en arrière..."Questions regarding QET belong in this forum and will NOT be answered via PM! – Les questions concernant QET doivent être posées sur ce forum et ne seront pas traitées par MP !

Re: section des conducteurs

A essayer
https://download.qelectrotech.org/qet/forum_img_2/report_folio_tags.png
https://download.qelectrotech.org/qet/forum_img_2/report_folio_tags2.png
https://download.qelectrotech.org/qet/forum_img_2/report_folio_tags3.png

Post's attachments

Attachment icon 223.qet 26.11 kb, 157 downloads since 2023-10-03 

"Le jour où tu découvres le Libre, tu sais que tu ne pourras jamais plus revenir en arrière..."Questions regarding QET belong in this forum and will NOT be answered via PM! – Les questions concernant QET doivent être posées sur ce forum et ne seront pas traitées par MP !

Re: section des conducteurs

Ps : F5 sur ton clavier pour rafraîchir la page web, je viens d'éditer l'image ci-dessus.

"Le jour où tu découvres le Libre, tu sais que tu ne pourras jamais plus revenir en arrière..."Questions regarding QET belong in this forum and will NOT be answered via PM! – Les questions concernant QET doivent être posées sur ce forum et ne seront pas traitées par MP !

Re: section des conducteurs

Super merci beaucoup pour les réponses rapides, précises et détaillées !

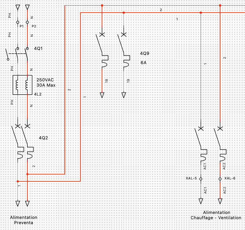
J'ai essayé avec d'autres symboles que les reports de folio mais je n'ai pas accès dans le menu déroulant à la section du conducteur. Cependant avec les reports de folio j'y arrive tres bien effectivement. Un exemple dans mon schéma :
Ici je ne pourrais indiquer la section avec cette technique que de mon arrivé de phase et neutre.
Le reste se fera donc en insérant des textes donc pour le moment j'imagine

Post's attachments

Attachment icon Capture d’écran 2023-10-03 à 17.35.29.png 68.86 kb, 132 downloads since 2023-10-03 

Re: section des conducteurs

De mémoire je crois que ça ne fonctionne qu'avec les renvois et c'est normal, on l'a voulu exprès, en effet c'est le seul type d’élément qui est lié aux conducteurs. Tu verras qu'avec les autres types d'éléments il est possible aussi de rajouter des textes dynamiques automatique en fonction de ce que tu remplis plus tard dans le formulaire.

Quand tu sais t'en servir, ces fonctions peuvent te faire gagner pas mal de temps et enrichir ta documentation.

"Le jour où tu découvres le Libre, tu sais que tu ne pourras jamais plus revenir en arrière..."Questions regarding QET belong in this forum and will NOT be answered via PM! – Les questions concernant QET doivent être posées sur ce forum et ne seront pas traitées par MP !

Re: section des conducteurs

Oui j'ai commencé à voir pas mal de fonctions pour les autres symboles, je vais me débrouiller avec des ajouts de texte sur le schéma alors ça marche très bien aussi je voulais surtout m'assurer que je ne passais pas à côté d'une fonction prévu pour faire ceci.
Pour mes symboles rouges la solution plus haut fonctionne aussi d'ailleurs.

Merci !

Re: section des conducteurs

Un vieil exemple en vidéo, qui peut te faire gagner pas mal de temps et t'éviter de commettre des erreurs:

"Le jour où tu découvres le Libre, tu sais que tu ne pourras jamais plus revenir en arrière..."Questions regarding QET belong in this forum and will NOT be answered via PM! – Les questions concernant QET doivent être posées sur ce forum et ne seront pas traitées par MP !

10 (edited by LievenC 2023-10-04 13:23:49)

Re: section des conducteurs

I have done some experiments with this and found an issue:
I have updated the terminal comming and going with the wire section font size 9

I created a sample drawing with some connections
found that the font size was to large and reduced in the element to 6
I placed the updated elements in the drawing
Confirmed to overwrite the excisting element with the new one
saved the drawing
after reopening I found that for the original elements the size of the font was not updated

Google translate:
J'ai fait quelques expériences avec cela et j'ai trouvé un problème :
J'ai mis à jour le terminal qui va et vient avec la taille de police de la section de fil 9

J'ai créé un exemple de dessin avec quelques connexions
a constaté que la taille de la police était trop grande et réduite dans l'élément à 6
J'ai placé les éléments mis à jour dans le dessin
Confirmé pour écraser l'élément existant par le nouveau
j'ai sauvegardé le dessin
après réouverture, j'ai constaté que pour les éléments d'origine, la taille de la police n'était pas mise à jour

Always using the latest development version

Re: section des conducteurs

@LievenC: I can't repoduce your problem, it's work here... but it's not replace all same element before placed.
Instead of taking the item from the project tree, maybe copying it to the user collection would work better

"Le jour où tu découvres le Libre, tu sais que tu ne pourras jamais plus revenir en arrière..."Questions regarding QET belong in this forum and will NOT be answered via PM! – Les questions concernant QET doivent être posées sur ce forum et ne seront pas traitées par MP !

12 (edited by LievenC 2023-10-04 15:46:01)

Re: section des conducteurs

Sample file and element for testing
I adapted the font size of the wire section to 15

Post's attachments

Attachment icon arrow_comming_section.elmt 1.71 kb, 157 downloads since 2023-10-04 

Attachment icon untitled.qet 42.31 kb, 159 downloads since 2023-10-04 

Always using the latest development version

Re: section des conducteurs

I fixed your untitled.qet commutator xrefs.

Post's attachments

Attachment icon untitled (2).qet 42.34 kb, 149 downloads since 2023-10-04 

"Le jour où tu découvres le Libre, tu sais que tu ne pourras jamais plus revenir en arrière..."Questions regarding QET belong in this forum and will NOT be answered via PM! – Les questions concernant QET doivent être posées sur ce forum et ne seront pas traitées par MP !

Re: section des conducteurs

this is a response to another issue !??!

Always using the latest development version

Re: section des conducteurs

it's reponse to your attached project.
Maybe you shared the wrong file...

"Le jour où tu découvres le Libre, tu sais que tu ne pourras jamais plus revenir en arrière..."Questions regarding QET belong in this forum and will NOT be answered via PM! – Les questions concernant QET doivent être posées sur ce forum et ne seront pas traitées par MP !

16 (edited by LievenC 2023-10-04 15:59:02)

Re: section des conducteurs

wrong project

Post's attachments

Attachment icon COMING_GOING.qet 91.99 kb, 151 downloads since 2023-10-04 

Always using the latest development version

Re: section des conducteurs

This is the same project you share again...

"Le jour où tu découvres le Libre, tu sais que tu ne pourras jamais plus revenir en arrière..."Questions regarding QET belong in this forum and will NOT be answered via PM! – Les questions concernant QET doivent être posées sur ce forum et ne seront pas traitées par MP !

Re: section des conducteurs

see previous project renamed

Always using the latest development version

Re: section des conducteurs

Ok I saw, strange, but with dynamic text, user can change font police and size and color manually after under folio without change the model..

I look your XML in .qet
"
I replace "Sans Serif,9,-1,5,0,0,0,0,0,0," to "Sans Serif,6,-1,5,0,0,0,0,0,0," et voila...

Post's attachments

Attachment icon COMING_GOING.qet 91.97 kb, 154 downloads since 2023-10-04 

"Le jour où tu découvres le Libre, tu sais que tu ne pourras jamais plus revenir en arrière..."Questions regarding QET belong in this forum and will NOT be answered via PM! – Les questions concernant QET doivent être posées sur ce forum et ne seront pas traitées par MP !

Re: section des conducteurs

Thanks for reporting this issue.

"Le jour où tu découvres le Libre, tu sais que tu ne pourras jamais plus revenir en arrière..."Questions regarding QET belong in this forum and will NOT be answered via PM! – Les questions concernant QET doivent être posées sur ce forum et ne seront pas traitées par MP !

Re: section des conducteurs

will check on Monday, away for the weekend

Always using the latest development version

Re: section des conducteurs

Ok, good week end for you.

"Le jour où tu découvres le Libre, tu sais que tu ne pourras jamais plus revenir en arrière..."Questions regarding QET belong in this forum and will NOT be answered via PM! – Les questions concernant QET doivent être posées sur ce forum et ne seront pas traitées par MP !