Topic: Coil-references
Hello @ all!
First I want to say, that I like to work with QElectroTech. It's a good solution for small projects and a very nice alternative for eplan.
Today I installed v0.9 after I used v0.8 for a very long time. Wow, it's a lot faster!
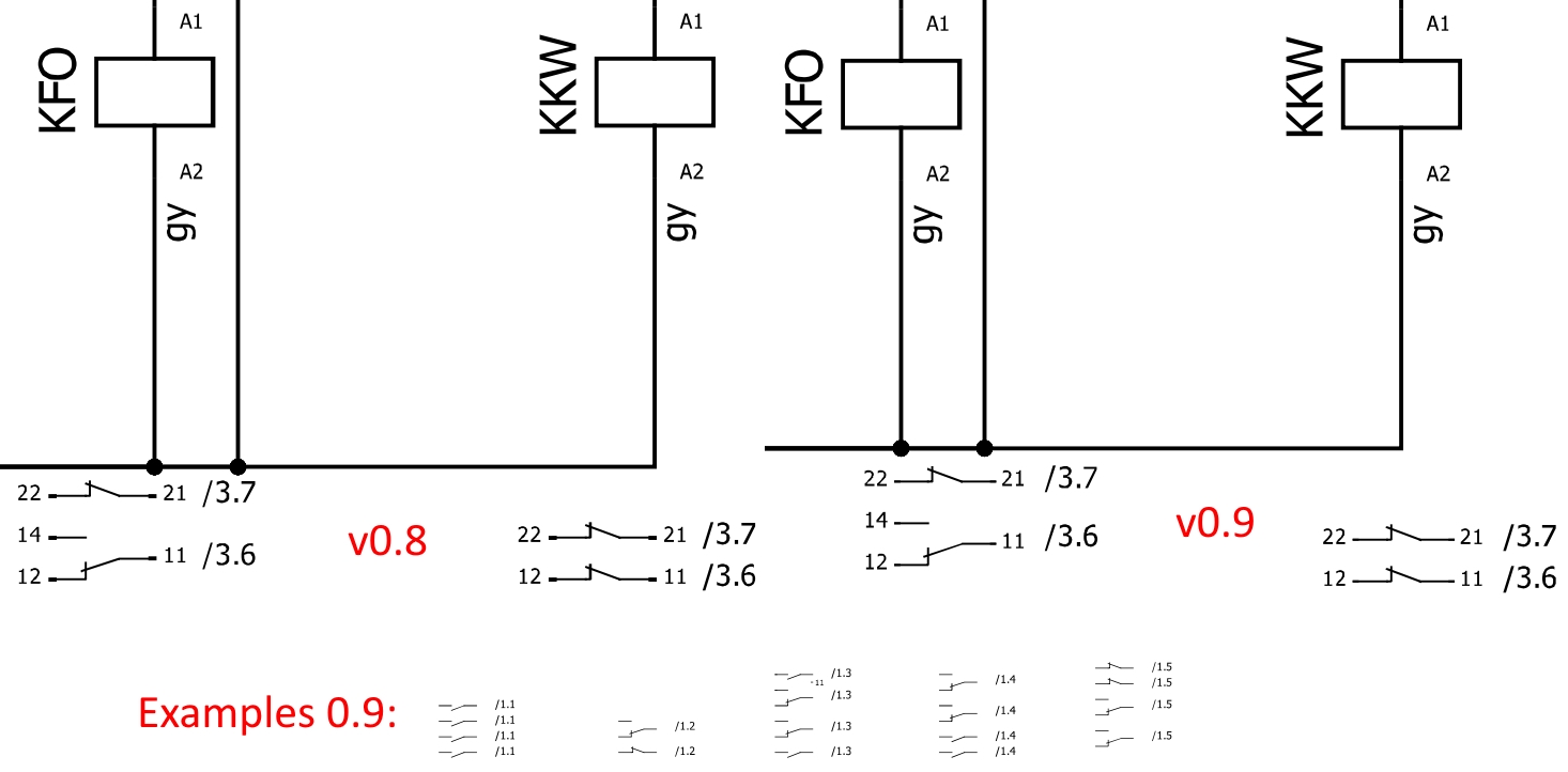
I realize some differences within the coil-references. I think the orientation has changed. You can see the differences on the attachment-picture. I don't know if it's a bug or not.
Is there a solution to change the position of the references? I like the older orientation (left side from picture) more than the newer one. The differences are present if there is a changer linked to the coil at the bottom of the list.
A few examples are on the pictures too.
Thanks for your help!
