Topic: Plan électrique maison
Bonjour et merci pour ce logiciel
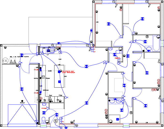
j'ai une petite question : sera t il possible un jour de réaliser des plans de maison comme l'image
merci pour votre réponse
You are not logged in. Please login or register.
QElectroTech → FR : Aide, suggestions, discussions, ... → Plan électrique maison
Bonjour et merci pour ce logiciel
j'ai une petite question : sera t il possible un jour de réaliser des plans de maison comme l'image
merci pour votre réponse
Bonjour,
Oui et non, voir cette très veille vidéo de test de l’époque.
http://vimeo.com/68906043
Oui c'est faisable, suffit d'importer une image du plan, de poser les symboles architecturaux et de tracer les liaisons.
Non, car nous ne ferons pas des liaisons "conducteurs" en tracé comme sur ton exemple (formes arrondies).
Ok merci pour votre réponse j'avais déjà vu la manière de procéder sur le net et c'est déjà pas mal c’était les formes arrondies le sujet de ma question et donc vous y avez répondu
merci encore pour ce logiciel
QElectroTech → FR : Aide, suggestions, discussions, ... → Plan électrique maison
Powered by PunBB, supported by Informer Technologies, Inc.
Generated in 0.036 seconds (34% PHP - 66% DB) with 11 queries