Topic: Comment représenter les phases, neutre et terre en unifilaire ?

Bonjour, je n'arrive pas à trouver les phases, neutre et terre. Pourriez vous m'aider ?

Re: Comment représenter les phases, neutre et terre en unifilaire ?

example

Always using the latest development version

Re: Comment représenter les phases, neutre et terre en unifilaire ?

example

Always using the latest development version

Re: Comment représenter les phases, neutre et terre en unifilaire ?

example

Post's attachments

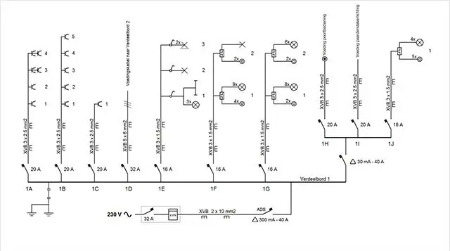
Attachment icon eendraad.jpg 38.7 kb, 27 downloads since 2025-06-03 

Always using the latest development version

Re: Comment représenter les phases, neutre et terre en unifilaire ?

https://qelectrotech.org/screenshots/qet_overview05.png

"Le jour où tu découvres le Libre, tu sais que tu ne pourras jamais plus revenir en arrière..."Questions regarding QET belong in this forum and will NOT be answered via PM! – Les questions concernant QET doivent être posées sur ce forum et ne seront pas traitées par MP !

Re: Comment représenter les phases, neutre et terre en unifilaire ?

bom dia alguem com uma pasta de simbologia predial, sou novo no software

Re: Comment représenter les phases, neutre et terre en unifilaire ?

scorpio810 wrote:

https://qelectrotech.org/screenshots/qet_overview05.png

Intéressant pour gagner de la place sur les folio, par contre, comme indiquer le numéro de la phase quand par exemple on ajout un disjoncteur mono sur le phase 2 ?

Merci de vos retours

Électricien