Topic: References between terminal-blocks?
Hi,
I'm new to this forum, so sorry for a stupid question...
Maybe this is not correct regarding ISO, but:
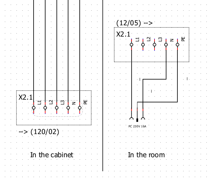
I have a complex circuit in my cabinet and it ends on terminal blocks (L,N,PE and L1,L2). The other side of the terminalblocks is connected to independent room, plug-connectors and so on (using 5x1.5mm^2 cables)
Is there a way to draw the circuit in the cabinet, let it end on a terminal block X42.3. On another page I would like to use again the same symbol for the terminal block X42.3 to visualize the connections to lamps, plug-connectors and so on.
Of course I would like to show a reference between the two, so that I can see where the other side of X42.3 continues.
I know, for sure its not 100% ISO standard, but I think it would help to make an easier visualiziation.
I tried to cheat a bit, but I cannot make a new symbol with more than one connection to generate a foil reference.
And I cannot create a master/slave symbol without showing a the switch table, what I need is a reference only
Thanks
Georg
