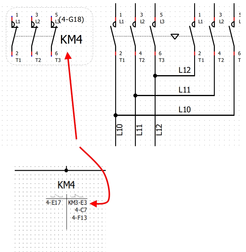
Topic: affichage des contacts slave et sous-type power
Bonsoir,
Dans la liaison des contacts de puissance avec la bobine du contacteur qui va avec, le nom du contact ne s'affiche pas bien.
Il s'affiche KM3-E3 au lieu de 3-E3 (contacts dans folio3 et bobine dans folio 4), je ne comprend pas ça devrait être le numero de folio qui devrait s'afficher.
merci
