Topic: Problème visuel avec les bornes de connections
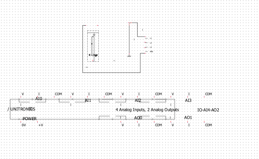
Bonjour comme sur l'image vous pouvez voir des bornes qui ne sont pas à leurs places ainsi que certains textes.
Impossible de faire un pdf sans la même erreur.
Si quelqu'un à une expérience similaire, j'aimerais bine de l'aide merci à vous.
Pour compléter ma version de Q electrotech est V0.80c+87c957a06d79751d3
