Topic: Position du texte pour les éléments liés (ex:3/3-C4) et rep de contact
Copie d'écran 1 :
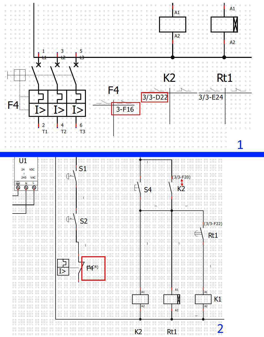
Je remarque que le repérage des contacts, parfois, c'est indiqué folio 3-F16 et que pour d'autre contact, c'est indiqué 3/3-F16.
Personellement, je ne vois pas d'intérêt du fait que soit indiqué le nombre de folio pour le repere de contact, le plus simple c'est 3-F16 au lie de 3/3-F16. À vous de voir.
Copie d'écran 2 :
Je vois que sur certains éléments, la position du texte qui indique la position de l'élément maître (protection) est en surimpression sur le texte du label. Ci-joint la copie d'écran.
Et pour l'emplacement des autres d'élément, peut être que la distance entre le texte du label et le texte de l'emplacement serait à diminuer de quelques pixels.
---------------
QElectroTech V 0.90-DEV+efb4a8dd7c957a06d79751d3
Compilation : GCC 9.3.0
Built with Qt 5.15.2 - Date : Jun 6 2021 : 00:27:47
Run with Qt 5.15.2 using 4 thread(s)
OS : winnt - x86_64 - Version : Windows 10
*** Qt screens ***
( 1 : 1920 x 1080 )

