Hello,
I am the developer of Cables Worbench for FreeCAD. I do it mainly for myself, but made it available for the public.
At the same time, I use QElectroTech to create electrical diagrams (the more I get to know it, the more I like it).
In order to automate the model creation process to some extent, I decided to write a script that generates ready-made 3D models based on diagrams. Most of the work is performed automatically. Cable routing in FreeCAD is the main manual task in this process.
I work on such a workflow (to make a model of electrical installation in a house/apartment):
1. Prepare model of a house/apartment in FreeCAD
2. Make diagram of home electrical installation in QElectroTech as detailed as possible
3. Run an import script which will be able to create complete model of all elements, cables and connections in FreeCAD based on diagram from QElectroTech. Location of elements should be as close as possible to their final positions in the 3D space. At this stage, wires are just straight lines connecting elements.
4. Manually place all elements on their final positions in the 3D model of house (sockets, switches, light points, distribution boxes etc.)
5. Manually route base cable wires created in previous step on walls, ceillings etc. What helps in this step is that the starting and ending points of each cable are already attached to a specific element.
6. Run import script again to create all missing details: full cable shapes with all single wires and all interiors of distribution boxes with all connections inside
7. Final manual adjustment of cable routes and element placements
The result is a complete 3D model of electrical installation identical to the electrical diagram. The model can be exported as IFC file for further processing e.g. in a BIM workflow (e.g. create BOM list, rule checks, post-construction archiving etc.)
I know that there is commercial software doing all the above things pretty well, but I prefer FOSS solution and I didn't find any.
The core software component here is the import script I'm working on (working name: QET Import). It is not public yet, it still needs a lot of work to be usable for others.
Here come my questions to you professionals. Is it worth the effort?
I find it very useful for my own needs, but I would like to see your opinion about it.
E.g. Is it useless for electricians because they have to anyway route cables on real walls?
Is the electrical diagram itself sufficient in practice?
Are there other areas where such modelling would be useful?
Another question:
I had to use some tricks in QElectroTech diagram to achieve my goal (see apartment_example.qet below). Do you think it is practical to make such a diagram?
Does it break any established rules?
Here are some details about an example project of simple electrical installation in an apartment. This should help to clarify the whole idea.
The starting point:
1. Prepare model of a house/apartment in FreeCAD
The FreeCAD example apartment file (empty walls, before import): apartment_example_empty.FCStd
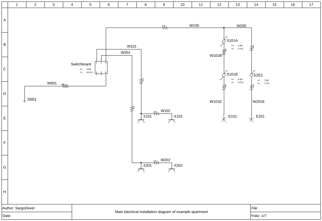
2. Make diagram of home electrical installation in QElectroTech as detailed as possible
The QElectroTech example project file: apartment_example.qet
Folio 1 image from above document: apartment folio 1
3. Run an import script which imports folios 1,2,3 from apartment_example.qet. At this stage, wires are just straight lines connecting elements.
The image from FreeCAD example apartment file after importing folios 1,2,3: base_wires.png
4. Manually place all elements on their final positions in the 3D model of house (sockets, switches, light points, distribution boxes etc.)
5. Manually route base cable wires created in previous step on walls, ceillings etc.
6. Run import script again to create all missing details: full cable shapes with all single wires and all interiors of distribution boxes with all connections inside
The image from FreeCAD example apartment file after steps 4,5,6 and after importing folios 4,5,6,7:
final_cables.png
The switchboard after automatic import: switchboard.png
7. Final manual adjustment of cable routes and element placements
The switchboard after manual routing: switchboard_final.png
NOTE: In order to correctly open the apartment_example_cables_final.FCStd file, the following are needed:
- FreeCAD version 1.0.0 or newer
- Cable Workbench Addon installed by AddonManager from within FreeCAD.
