View Issue Details
| ID | Project | Category | View Status | Date Submitted | Last Update |
|---|---|---|---|---|---|
| 0000296 | QElectroTech | Diagram Editor | public | 2024-01-16 16:32 | 2024-01-17 13:12 |
| Reporter | Fekete_Istvan_HU | Assigned To | |||
| Priority | normal | Severity | minor | Reproducibility | always |
| Status | new | Resolution | open | ||
| Platform | Linux | OS | Ubuntu | OS Version | 22.04 |
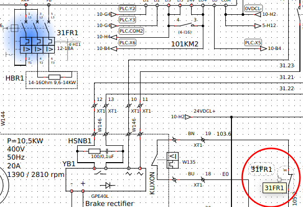
| Summary | 0000296: Some master slave elements have reference / label overlap. Unableto see the reference value | ||||
| Description | Hello! Thank You for You effort with my previous problem. Here is a minor bug in my project. When link some master and slave elements the dynamically generated reference is overlapping with the label, and is unreadable. The affected elements are: -Magneto thermal circuit breaker -Thermal Relay NC May i correct this issue? Thank You for help! Regards: Steve from Hungary | ||||
| Tags | No tags attached. | ||||
| Attached Files | |||||
|
|
Hello. Please see https://qelectrotech.org/forum/viewtopic.php?pid=16790#p16790 Regards, Laurent |
|
|
It escaped my attention that this error was already mentioned in the forum. The explanation in the forum post is a little bit foggy, but if you want to correct this error in your existing drawing, do the following: 1. Project/Project properties 2. New folio / Cross referencing tab 3. Select "Organ of protection" on upper first Type: listbox 4. Then click these settings: View contacts Under the label of the element Bottom (There was "Text alignment" setting, which does this strange overlapped Xreference) 5. Click OK Now Your existing drawing will be corrected. Check all occurrences and correct the label positions if needed. To avoid this issue in Your NEXT NEW project, do the same settings in the "Settings/Configure QElectrotech" I think this is clear for everyone who have this same problem. Thank You scorpio810 for help! :-) |
|
|
Thank you for your very clear explanations which can serve as references to help new users. As this question comes up quite often, we should try to correct it in the code if possible. To add to the todolist...on Wiki! |
| Date Modified | Username | Field | Change |
|---|---|---|---|
| 2024-01-16 16:32 | Fekete_Istvan_HU | New Issue | |
| 2024-01-16 16:32 | Fekete_Istvan_HU | File Added: Képernyőkép 2024-01-16 16-21-03.png | |
| 2024-01-16 16:32 | Fekete_Istvan_HU | File Added: Képernyőkép 2024-01-16 16-20-30.png | |
| 2024-01-16 18:04 | scorpio810_mantis | Note Added: 0000691 | |
| 2024-01-16 18:04 | scorpio810_mantis | Note Edited: 0000691 | |
| 2024-01-16 18:06 | scorpio810_mantis | Note Edited: 0000691 | |
| 2024-01-17 12:41 | Fekete_Istvan_HU | Note Added: 0000692 | |
| 2024-01-17 12:41 | Fekete_Istvan_HU | File Added: Képernyőkép 2024-01-17 10-47-37.png | |
| 2024-01-17 12:41 | Fekete_Istvan_HU | File Added: Képernyőkép 2024-01-17 10-48-02.png | |
| 2024-01-17 12:41 | Fekete_Istvan_HU | File Added: Képernyőkép 2024-01-17 12-33-13.png | |
| 2024-01-17 13:12 | scorpio810_mantis | Note Added: 0000693 |